導語 在你日常生活中,是否曾遇到鑰匙一扭就斷了,或是看到新聞中某座橋梁突然垮塌、飛機出現金屬疲勞裂紋的問題?這些看似偶然的“斷裂”事件,背后往往隱藏著材料性能的極限,以及我們對它認知的不足。金屬,作為人類最廣泛使用的工程材料之一,支撐著從家庭生活到高端制造的方方面面。但金屬并不是不可摧毀的,尤其在特定的環境、載荷或使用條件下,它也會“猝不及防”地斷裂。 斷裂本身是一個物理現象,但從斷裂的“傷口”——也就是斷口中,我們可以獲取大量有價值的信息。這種分析斷裂表面、推斷斷裂原因的過程,就叫做斷口分析。它是材料科學與工程技術中的“偵探工具”,幫助我們追蹤事故根源、優化材料選擇、提高產品安全性。 隨著科學技術的發展,我們如今擁有從宏觀觀察到電子顯微鏡、從聲學檢測到人工智能識別的多種手段,可以從一個小小的斷口中“讀出”過去的使用歷史、外力加載方向,甚至預判未來可能發生的問題。 因此今天小編整理了金屬斷裂與斷口宏觀、微觀特征的基本概念,帶你了解金屬是如何斷裂的、斷裂后的斷口能告訴我們什么、科學家和工程師如何通過這些信息重構事件真相,并展望斷裂分析在工業和安全領域的深遠意義。希望能夠為材料力學性能檢測人員分析斷裂過程本質和斷口特征提供相關的基礎知識。 金屬斷裂并非只有一種形式,就像人感冒可能是病毒感染,也可能是過敏反應一樣,金屬“斷掉”的原因和方式也各有不同。了解這些斷裂類型,就像為后續的斷口分析打下基礎。實踐證明,大多數金屬材料的斷裂過程通常包括兩個階段:裂紋的形成(起源)和裂紋的擴展。在不同條件下,這兩個階段所涉及的微觀機制、宏觀表現、應力形式等各不相同。因此,科學家們從多個角度對金屬斷裂進行了分類,常見的五大類如下: 根據金屬材料斷裂前是否發生明顯的變形,斷裂前所產生的宏觀塑性變形量的大小,斷裂可分為韌性斷裂和脆性斷裂兩大類。
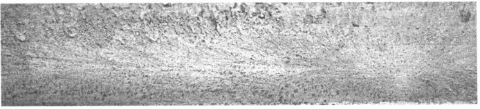
韌性斷裂又稱為延性斷裂或塑性斷裂,其特征是斷裂前發生明顯的宏觀塑性變形,斷裂過程中吸收了較多的能量,一般是在高于材料屈服強度條件下的高能斷裂。韌性斷裂是指斷裂前產生明顯宏觀塑性變形的斷裂,這是材料所受應力超過其抗拉強度時發生的。這種斷裂是一個緩慢的撕裂過程,在裂紋擴展過程中需要不斷地消耗能量,斷裂面一般平行于最大切應力并與主應力大約成 45°角。用肉眼或放大鏡觀察時,斷口呈纖維狀,灰暗色。纖維狀是塑性變形過程中微裂紋不斷擴張和相互連接造成的,而灰暗色則是纖維斷口表面對光反射能力很弱所致。由于韌性斷裂前發生明顯的塑性變形,它將預先引起人們注意,因此一般不會造成嚴重事故。圖1所示為某槍管典型韌性斷裂的實物照片。
圖1 某槍管典型韌性斷裂的實物照片 韌性斷裂的預防主要依賴于合理控制材料的成分與組織、優化結構設計以降低應力集中,并避免過載使用。常見措施包括選用高純凈度、細晶粒的高韌性合金,減少夾雜和第二相顆粒;結構上應避免尖角和突變,采用圓滑過渡設計;制造過程中通過熱處理消除殘余應力,并在關鍵部位加強表面強化;同時,在服役過程中控制載荷水平,避免超載或異常沖擊,確保材料始終工作在其安全塑性范圍內。
脆性斷裂是一種突然發生的斷裂,斷裂前基本上不發生塑性變形,沒有明顯征兆,因而危害性很大。圖2所示為某機關槍管脆性斷裂的實物斷口照片。歷史上曾發生過大量脆性斷裂事故,如美國油船脆性斷裂沉沒、澳大利亞大鐵橋斷毀、法國核電站壓力容器和英國核電站大型鍋爐爆炸等,都是由脆性斷裂而造成的嚴重事故。
脆性斷裂一般具有如下特點: 1)脆性斷裂是一種突然發生的斷裂,斷裂前基本上不發生塑性變形,沒有明顯征兆。 2)脆性斷裂時承受的工作應力很低,一般低于材料的屈服強度。 3)脆性斷裂的裂紋源總是從內部的宏觀缺陷處開始的。 4)溫度降低,脆性斷裂傾向增加。勻脆性斷裂的斷口平齊而光亮,且與正應力垂直,斷口上常呈人字紋或放射花樣,如圖3所示 圖2 某機關槍管脆性斷裂的斷口照片 圖3 放射花樣的脆性斷口 通常脆性斷裂前也發生微量塑性變形,一般規定光滑拉伸試樣的斷面收縮率小于5%則為脆性斷口,這種材料稱為脆性材料;反之為延性材料。由此可見,材料的韌性與脆性是根據一定條件下的塑性變形量來確定的。條件改變,材料的韌脆斷裂行為也會改變。 脆性斷裂的預防應從提升材料韌性和降低應力集中入手。關鍵措施包括:選用韌脆轉變溫度低的材料,或確保材料服役溫度高于其韌脆轉變點;細化晶粒以提高斷裂韌性;避免材料中存在尖銳缺口或裂紋源,結構設計上應減少應力集中;在加工與焊接過程中控制冷卻速率,防止組織脆化;必要時進行熱處理或回火處理以改善脆性;同時,應避免在高應變速率或低溫環境下施加高載荷,從而降低突然斷裂的風險。 多晶體斷裂時,依據裂紋擴展的路徑可以分為穿晶斷裂和沿晶斷裂兩類,該分類著眼于裂紋在金屬內部傳播時“走哪條路”,圖4為穿晶斷裂與沿晶斷裂示意圖。 圖4 穿晶斷裂與沿晶斷裂的示意圖
從宏觀上看,穿晶斷裂可以是韌性斷裂,也可以是脆性斷裂。而沿晶斷裂則多是脆性斷裂。沿晶斷裂是由于晶界上有一薄層連續或不連續的脆性第二相或夾雜物破壞了晶界連續性所致,也可能是雜質元素向晶界集聚引起的。應力腐蝕、氫脆、回火脆性、淬火裂紋、磨削裂紋等都是沿晶斷裂。金屬在高溫下,多由穿晶斷裂轉化為沿晶斷裂。沿晶斷裂的宏觀斷口呈冰糖狀,如圖5所示。但是如果晶粒很細,則肉眼無法辨認出冰糖狀形貌,此時斷口一般呈結晶狀,顏色較纖維斷口明亮,但比純脆性斷口要灰暗些,因為它們沒有反光能力很強的小剖面。穿晶斷裂和沿晶斷裂有時可以混合發生。
圖5 冰糖狀沿晶斷口 穿晶斷裂的預防應側重于提高晶粒內部的抗裂紋能力與抑制裂紋萌生機制。常見措施包括:優化合金成分與熱處理工藝,提升晶粒強度與均勻性,減少脆性相、析出相或夾雜物等裂紋萌生源;細化晶粒以增強晶粒間的變形協調性;通過加工控制晶體取向(織構)以降低滑移集中;避免高應力集中或循環載荷作用,特別是在滑移系活躍的取向中;在關鍵部位進行表面強化(如噴丸)以引入壓應力,延緩穿晶裂紋的萌生與擴展。 沿晶斷裂的特點是裂紋沿晶界擴展,大多數是脆性斷裂。沿晶斷裂是由晶界上的一薄層連續脆性的第二相、夾雜物破壞了晶界的連續性而造成的,也可能是雜質元素向晶界偏聚引起的。應力腐蝕、氫脆、回火脆性、淬火裂紋、磨削裂紋等大都是沿晶斷裂。 沿晶斷裂的預防關鍵在于增強晶界的強度與穩定性,防止晶界弱化。主要措施包括:優化合金成分,減少對晶界有害的元素偏析(如硫、磷)并添加有益元素(如硼、鋯)以強化晶界;控制熱處理工藝,防止晶界析出脆性相或形成連續薄膜;避免長期高溫服役以抑制晶界空洞與蠕變損傷;在腐蝕環境中應采取防護措施(如表面涂層、鈍化處理)防止晶界腐蝕;同時,應降低材料服役中的拉應力或殘余應力,減少裂紋在晶界萌生和擴展的驅動。 這種分類方式從力學角度出發,關注的是材料斷裂時受到的主導應力類型,以及裂紋面(斷面)相對于應力方向的空間關系。不同的應力作用方式會導致裂紋以不同形式擴展,斷裂的模式、斷口形貌和危險程度也隨之改變。
定義:
-
應力垂直于裂紋面,沿法向拉開裂紋。
-
是最常見也是最危險的一種裂紋擴展模式。
特點:
-
斷裂主要由**拉應力(正應力)**引起;
-
裂紋尖端張開,有明顯的“張裂”;
-
裂紋傳播方向通常垂直于主應力方向。
應用實例:
-
拉伸試驗中的金屬試樣斷裂;
-
飛機蒙皮、橋梁主梁等結構件開裂。
斷口特征:
-
脆性材料中表現為解理或準解理斷口;
-
延性材料中表現為杯錐狀韌窩斷口。
定義:
-
應力作用平行于裂紋面、垂直于裂紋前沿,導致面內剪切滑移。
特點:
-
主導應力為面內剪應力;
-
裂紋兩側發生相對滑動;
-
不易發生于純金屬,更常見于脆性材料或復雜受力結構中。
應用實例:
-
巖石斷層滑移、工程中螺栓孔附近的剪切裂紋;
-
板材沖擊、連接件剪切失效。
斷口特征:
-
可見平行滑移痕跡;
-
有時伴隨微型臺階或局部撕裂。
定義:
-
應力沿裂紋面且平行于裂紋前沿,導致面外剪切撕裂。
特點:
-
主導應力為面外剪應力;
-
裂紋兩側沿前沿方向反向剪切,造成螺旋式開裂;
-
在復雜三維受力中出現較多。
應用實例:
-
厚板或厚壁管在扭轉載荷下的斷裂;
-
渦輪葉片在高速運轉中出現邊緣裂紋。
斷口特征:
-
通常呈螺旋扭曲形貌;
-
裂紋擴展方向難以預測,破壞性強。
在實際工程中,絕大多數斷裂都不是單一模式,而是由兩種或三種基本模式復合作用形成的“混合斷裂”
金屬斷裂的發生離不開應力的作用。不同的載荷類型會在材料中引發不同的應力狀態,導致不同形式的斷裂過程。根據載荷的作用方式、持續時間、變化規律以及應力的來源,可將金屬斷裂分為以下幾類: 材料在恒定或緩慢變化的外部載荷作用下發生的斷裂。載荷作用時間較長,但載荷本身不發生劇烈變化,斷裂一般是一次性失效。 力學機制: 應力超過材料的極限強度(如抗拉強度、剪切強度); 局部應力集中處發生微裂紋萌生; 微裂紋擴展形成宏觀裂紋并失穩擴展至斷裂。 若材料韌性較高 → 延性斷裂; 若材料脆性較強或溫度較低 → 脆性斷裂。 延性斷裂:大量韌窩(微孔聚合); 脆性斷裂:準解理面、沿晶面、海貝紋等。 金屬構件超載拉斷; 材料在高應力集中區域發生靜態破壞; 錨固結構、支撐梁在負載長期未釋放時斷裂。 材料在短時間內受到劇烈載荷沖擊,造成應力急劇上升,通常發生在毫秒級時間尺度內,導致材料瞬時失效。 載荷具有高應變速率; 材料在此狀態下的行為不同于靜載(通常脆性增強); 易造成裂紋瞬間失穩擴展。 動載加載速率高,材料來不及塑性緩沖; 動態應力集中導致局部破壞; 釋放過程中伴有彈性應變能釋放,斷裂劇烈。 夏比沖擊試驗(Charpy impact test); Izod沖擊試驗; 動態斷裂韌性試驗(如動態K_IC、CTOD測試)。 光亮、平整、脆性特征明顯; 無明顯頸縮或塑性變形。 鋼軌在低溫環境下被撞擊破裂; 工程車輛的鋼構件在碰撞中發生脆性斷裂; 航空器在鳥擊或碎片打擊下損傷失效。 材料在受到低于斷裂強度的交變應力作用下,發生的脆性斷裂,稱之為疲勞,??梢娖跅l帶(或稱疲勞輝紋)的典型特征。 應力循環形式多樣:完全反復、對稱循環、不對稱循環; 應力幅值、平均應力、載荷比(R = σ_min/σ_max)均影響疲勞壽命; 大量循環 → 裂紋起始 → 穩態擴展 → 瞬時斷裂。 局部滑移帶(Persistent Slip Bands, PSBs)在晶粒內反復形成; 位錯積累導致微裂紋在滑移帶交匯處萌生; 裂紋擴展與晶粒取向、環境和加載頻率密切相關。 高周疲勞(N_f > 10?):彈性主導,低應力循環; 低周疲勞(N_f < 10?):塑性應變顯著,常伴有宏觀形變; 超高周疲勞(>10?):裂紋源轉移至材料內部(如夾雜物誘導)。 裂紋源清晰(往往位于缺口、孔邊、焊縫等部位); 海灘紋(疲勞條帶)記錄裂紋擴展過程; 最終瞬斷區呈延性或脆性斷口。 飛機鉚釘周圍的裂紋; 風電葉片主軸斷裂; 鐵路車輪輪緣疲勞失效。 材料在高溫(通常 >0.4 T?,T?為熔點)和恒定應力的長期作用下,因原子擴散與晶界滑移等機制而產生時間相關的永久性變形和最終斷裂。 應力水平可能遠低于屈服強度; 但高溫使擴散與滑移加速,導致晶界空洞形成與連接。 初始階段:蠕變速率遞減; 穩定階段:線性緩慢蠕變(主階段); 加速階段:空洞聚集,晶界裂紋形成 → 斷裂。 晶界沿線擴展; 可見大量空洞(微孔)、沿晶斷裂特征; 多伴隨厚壁材料的鼓包或鼓肚現象。 汽輪機葉片、燃氣輪機熱段元件; 核電站管道、高溫換熱器; 航空航天用高溫合金部件。 在拉應力(包括殘余應力)與特定環境介質(如Cl?、NaOH、H?S)共同作用下形成的沿晶界或穿晶裂紋,屬于典型的環境致裂現象。 材料表面產生微裂紋; 腐蝕介質沿裂紋尖端進一步破壞鈍化膜; 應力集中加劇裂紋尖端擴展 → 微裂紋穩定生長 → 失穩斷裂。 陽極溶解型 SCC(如不銹鋼在Cl?中); 氫致脆化型 SCC(如高強鋼在H?環境); 缺口敏感性材料更容易發生 SCC。 沿晶或穿晶斷裂路徑; ??捎^察到樹枝狀裂紋形貌; 裂紋從表面凹陷、劃痕、焊縫邊緣等部位起始。 不銹鋼儲罐在含氯水中發生斷裂; 核電站輔助設備管件斷裂; 航空用鋁合金在海洋環境中腐蝕裂紋。 按靜載下斷裂的機制,斷裂類型又可分為剪切斷裂與解理斷裂兩大類。 剪切斷裂是材料在切應力作用下,沿滑移面滑移而造成的斷裂。它又分滑斷(純剪切斷裂)和微孔聚集型斷裂。純金屬尤其是單晶體金屬常產生純剪切斷裂,其斷口呈鋒利的楔形或刀尖形,這是由純粹的滑移流變所造成的斷裂。常用的工程金屬材料一般產生微孔聚集型斷裂,如低碳鋼室溫下的拉伸斷裂,這類斷裂是通過微孔形核長大聚集而使材料分離的。 剪切斷裂的預防應著重于減小剪應力集中和提高材料的抗剪強度。主要措施包括:優化結構設計,避免薄弱截面和急劇幾何變化,尤其在受剪構件中如鍵槽、螺栓孔等部位應采用圓滑過渡;選用具有良好剪切韌性和強度的材料;通過合理熱處理改善材料的組織均勻性,防止析出脆性相導致局部失效;加工過程中控制缺口、劃痕等表面缺陷的形成;在高剪載荷條件下設置冗余設計或加固支撐結構,以延緩局部失效向整體斷裂擴展。 表1 各種材料、各種晶體構造的解理面和主要滑移面 由表1可見,只有體心和密排六方金屬才產生解理斷裂,面心立方金屬不發生解理斷裂。這是因為只有當滑移帶很窄時,塞積位錯才能在其端部造成很大的應力集中而使裂紋成核,但是面心立方金屬易產生多系滑移,使滑移帶破碎,尖端鈍化,應力集中下降。所以,從理論上講面心立方金屬不存在解理斷裂。但面心立方金屬在非??量痰臈l件下也可能產生解理破壞。 通常解理斷裂總是脆性斷裂,但有時在解理斷裂前也顯示一定的塑性變形,所以解理斷裂與脆性斷裂不是同義詞,前者指斷裂機制,后者則指斷裂的宏觀形態。除了上述的斷裂分類方法外,根據斷裂面的宏觀取向與最大正應力的交角,斷裂方式又可分成正斷型和切斷型兩種。若斷裂面取向垂直于最大正應力,即為正斷型斷裂。常見于解理斷裂,或塑性變形約束較大的場合,例如平面應變條件下的斷裂。斷裂面取向與最大切應力方向一致,而與最大正應力約呈45°時,則為切斷型斷裂。常發生于塑性變形不受約束或約束較小的情況,例如平面應力條件下的斷裂、拉伸斷口上的剪切唇。 綜上所述,金屬材料的斷裂分類及其主要特征見表2。 表2 金屬材料的斷裂分類及其主要特征 解理斷裂的預防應重點在于抑制裂紋沿晶體特定晶面低能路徑的快速傳播。主要措施包括:細化晶粒以增加裂紋擴展路徑的繞行阻力(根據Hall–Petch關系),降低裂紋直線傳播的幾率;避免材料在低溫、高應變速率或三軸拉應力狀態下服役,確保使用溫度高于其韌脆轉變溫度;控制合金元素和熱處理工藝,減少脆性相析出或偏析;在結構設計中降低應力集中,采用圓角過渡;同時,通過殘余壓應力引入(如噴丸)可有效提升裂紋萌生阻力,延緩解理破壞的發生。 由于零件受力狀態和周圍環境介質不同,斷裂的特點也不相同,從而又可將斷裂分為靜載斷裂(拉伸斷裂、扭轉斷裂、剪切斷裂)、沖擊斷裂、疲勞斷裂等。根據環境不同,又可分為低溫冷脆斷裂、高溫蠕變斷裂、應力腐蝕和氫脆斷裂、磨損和接觸疲勞斷裂等。 斷口分析 零件斷裂后的自然表面稱為斷口。由于金屬材料中裂紋總是沿著阻力最小的路徑擴展,所以斷口一般也是材料中性能最弱或應力最大的部位。斷口分析是通過現代的宏、微觀分析手段,對試樣或零件斷裂后的破壞表面形貌進行觀 測分析,了解材料斷裂模式及特征,分析其斷裂機理及與材料性能的關系。斷口形貌根據分析時所采用的手段不同、觀察的范圍不同,一般分為宏觀斷口與微觀斷口兩類。宏觀斷口反映了斷口的全貌,而微觀斷口則揭示了斷口的本質,各有特點,應互相配合分析。 分析宏、微觀斷口時,一般主要包括以下六方面: 1、斷口的顏色 依據斷口表面有無氧化色彩可以判斷機件服役溫度的高低;依據有無腐蝕產物的特殊色彩可以判斷腐蝕類型和程度;依據有無冶金夾雜物的特殊色彩可以判斷冶金因素的作用;依據疲勞斷口各區光亮程度可以判斷疲勞源的位置。 2、斷口的表面粗糙度 依據斷口的表面粗糙度可以判斷斷裂機件的受力大小和定性地評定材料的晶粒大小與裂紋擴展速率;依據斷口上是否存在反光小刻面及其數量,可以判斷金屬材料的冶金質量、雜質相的多少。 3、斷口的花紋 如果宏觀上可見疲勞弧線或微觀上可見疲勞條帶,則為疲勞斷口;依據在疲勞斷口有無臺階,可判斷交變應力的大?。蝗绻蟹派錉畹乃毫牙饣蛉俗旨y花樣,則是判斷脆性材料或高速加載的斷裂特征;如果宏觀斷口呈纖維狀或長毛絨狀,則是延性斷裂的特征。 4、斷口邊緣的特征 從斷口邊緣的特征可以判斷疲勞源的位置;從斷口唇邊的情況,可以判斷機件的應力狀態;唇邊的大小可以判斷材料塑性變形的程度。 5、斷口的位置 根據斷口在構件中的位置,分析受力形式、應力集中程度及環境特征等,進而幫助分析斷裂的性質和原因。 6、微觀斷裂形貌與特征 例如,韌窩形狀和大小、解理臺階、河流花樣、滑移帶、疲勞條帶數量和寬度、氧化物性質及厚度、夾雜物形狀和尺寸、晶粒尺寸等。 通過上述斷口分析,研究和評定下列內容: 1)確定斷裂類型。脆性斷裂還是延性斷裂;穿晶斷裂還是沿晶斷裂;靜載荷斷裂還是交變載荷斷裂;空氣環境斷裂還是腐蝕環境斷裂;室溫斷裂還是高溫環境斷裂等。 2)確定裂紋源位置。 3)揭示微觀結構與性能的關系。 1.宏觀斷口分析方法 宏觀斷口分析是用肉眼、放大鏡、低倍實體顯微鏡,通過觀察斷口表面的顏色、表面粗糙度、宏觀形貌特征和宏觀變形痕跡等,來確定斷裂的性質、斷裂源的位置、裂紋擴展的過程和方向、受力狀態和環境介質作用等情況,從而初步分析斷裂的性質及原因。在宏觀斷口分析中可以使用低倍照相器 (0.5x一20x)和低倍實體顯微鏡 (4 x-100x), 其主要作用是觀察和拍攝整個斷口的宏觀形貌特征,可以初步分析判斷材料斷裂的基本性質和全過程,為進一步放大觀察和深入分析提供線索。進行宏觀斷口分析時,由于斷口表面較粗糙,為獲得良好的成像效果,拍攝時多采用單光源斜照明,傾斜角一般為 30°-45°。為防止斷口凸凹懸殊的地方明暗反差太大,產生失真,可增加亮度較低的輔助光源,其效果更佳。 2. 微觀斷口分析方法 微觀分析是在宏觀分析的基礎上,利用其他分析工具觀察分析斷口的微觀形貌,進一步探討裂紋形成與擴展的過程和產生的原因,揭示材料結構與力學行為之間的關系。只有宏觀分析與微觀分析相結合,才能對材料的力學行為有更深入、更全面的認識和了解。用于斷口微觀分析的主要分析工具有光學顯微鏡、掃描電子顯微鏡、透射電子顯微鏡和能譜儀等。它們各有特點,在斷口分析中應相互配合使用。光學顯微鏡在斷口分析中是不可缺少的重要設備。它主要用于觀察斷口的形貌特征、局部的微觀形貌、斷口剖面特征等。由于光學顯微鏡的放大倍數和景深都十分有限,且斷口本身又極為不平整,這給光學顯微鏡觀察斷口帶來了不可克服的困難。 掃描電子顯微鏡(SEM)與光學顯微鏡和透射式電子顯微鏡相比具有以下優點: 1)聚焦景深很大,可以研究粗糙的樣品表面,獲得清晰的圖像。 2)放大倍數可在幾倍到十萬倍之間連續觀察。 3)可觀察三維特征,圖像清晰、立體感強。 4)樣品制備方法簡單,可直接觀察斷口,不需制作復型,避免由復型帶來的假象等。 5)如果與能譜儀配合使用,則可直接定量地探測樣品表面微區元素種類和含量。 6)一般分辨力可達納米量級。 透射電子顯微鏡 (TEM)的分辨力比SEM高,但透射型電子顯微鏡不能直接觀察斷口,需制取金屬薄膜或復型,不能得到連續圖像,觀察部位與實際斷口面上的位置或方向很難對應起來,并且不能從很低的倍數開始觀察。 3.斷口的保護 保護斷口清潔和不受損傷是斷口分析的重要環節。如果斷口表面受到外來機械損傷或化學腐蝕,就破壞或掩蓋了原始的斷口表面形貌特征,直接影響斷口分析的質量和準確性,甚至會導致錯誤的結論。因此斷裂的試樣或零件,如果不立即進行斷口表面檢測,就應盡可能快地將斷口存放和保護起來,防止環境污染及意外損傷。 在實驗室里存放斷口的最好方法是將斷口直接儲存在干燥器中或放在含有干燥劑的塑料容器內。例如從現場提取斷口,應在搬運前將斷口表面覆蓋一層干凈、不含絨毛的軟布,如果斷口表面有松散附著物,為防止失落,應提前將附著物取下,保存好以待分析。對于需長途運輸或長期保存的斷裂試件,除可與硅膠同裝入塑料袋封存外,還常用表面涂層保護。表面涂層應既能防腐蝕又易于被清洗掉,常用的有高質的防銹油或丙烯清漆。 醋酸纖維素紙(簡稱塑料紙或AC紙)已成功用來保護大多數斷口表面。塑料紙需用丙酮軟化,然后用手指或橡皮擦將軟化的一面緊緊地壓附在斷口表面。除凈塑料紙必須把樣品 放人丙酮中長時間浸泡,用毛刷或用超聲波清洗。 從斷裂試件上切取分析樣品時,不應損傷斷口。如果采用火焰切割時,應防止熱影響及熔化的金屬濺及斷口表面;如果用鋸或砂輪片切割,應采用干切,或先用塑料紙粘在斷口上,用膠布固牢后再切割。 在接觸斷口過程中,用手指觸摸斷口表面以及用堅硬器械接觸斷口或把匹配斷口對合一起都是不允許的。前者將使水汽和鹽粘在斷口表面上造成化學腐蝕;后者會使斷口產生機械損傷。 4.斷口的清洗 暴露于不同環境的斷口表面,一般附有污物以及腐蝕或氧化物,在進行斷口分析前必須予以清除。但是如果斷口表面的附著物對斷口的分析有作用時,在進行斷口清洗前,要注意進行斷口表面的附著物的分析。清洗斷口表面一般采用以下幾種清洗技術: 1)用干燥空氣吹或用柔軟毛刷清洗。 2)用有機溶劑清洗。如用丙酮、乙醇 浸泡,主要用于除去油污,把樣品放入裝有溶劑 的燒杯中長時間浸泡或用超聲波清洗幾分鐘能得到較滿意的效果。 3)復型剝離法。用塑料紙反復粘貼,再加超聲波清洗,其效果令人滿意。 4)洗凈劑清洗。選擇的清洗液只侵蝕掉斷口表面的沉積物,而不會損傷樣品的斷面基體。 5)陰極清洗法。采用上述清洗方法仍不能清洗干凈時,如斷口表面存在較厚的腐蝕性產物(如腐蝕疲勞試驗樣品)時,可采用陰極清洗法。陰極清洗是一個電解過程,將清洗 的樣品作為陰極,不銹鋼板作為陽極。清洗鋼鐵材料斷口的電解液是10%NaOH水溶液,電流密度為l0A/dm2,電解時間依銹蝕程度而定,一般為5一8min。電解過程完成后,樣品迅速用水沖洗,并放入沸騰的10%檸檬酸水溶液中用軟毛刷清洗干凈,然后用水沖洗并放入無水酒精中,最后吹干保存在干燥器內。 6)化學清洗。用弱酸或弱堿性溶液浸泡或刷洗,由于該方法可能腐蝕斷口表面基體,因此只是在使用上述清洗方法后,其效果不好的情況下才采取的一種化學浸蝕清洗方法。去除鋁合金斷口表面的腐蝕產物可用200mL正磷酸+80g鉻酸+800mL水溶液,在室溫下清洗 2一10min。鋼鐵材料斷口樣品可用以下溶液清洗:(P50%一100%正磷酸水溶液,溶液可加 熱清洗;(18.4mL鹽酸(6mol/L)+0.2g六甲撐四胺+81.6mL水,在室溫下使用。經過上述處理的樣品應立即放入稀釋的Na2CO3(碳酸鈉)或NaHCO3(碳酸氫鈉)溶液中沖洗,然后再用蒸餾水、酒精清洗,吹干后保存在干燥器內。 1.光滑圓柱試樣的拉伸斷口 光滑圓柱拉伸試樣的韌性斷口,一般呈纖維狀,由纖維區、放射區、剪切唇區三個區域組成,即所謂斷口特征的三要素,如圖6所示。 圖6 光滑圓形拉伸試樣 斷口的宏觀形貌 2.缺口圓柱試樣的拉伸斷口 帶缺口的圓柱試樣,由子缺口處的應力集中,裂紋直接在缺口或缺口根部產生。其纖維區沿圓周分布。裂紋將從該處向試樣內部擴展。若缺口較鈍,則裂紋仍可首先在試樣中心形成。但由于試樣外表受到缺口的約束而大幅度抑制了剪切唇的形成。圖7為缺口圓柱試樣拉伸斷口形貌示意圖和實際的宏觀斷口照片。圖7中最終斷裂區一般較其他部位的斷口表面要粗糙得多。 圖7缺口圓柱試樣拉伸斷口形貌示意圖和實際的宏觀斷口照片 由于試樣或構件在缺口處的應力集中,約束增大而造成的脆斷,稱為缺口脆性。若缺口試樣的裂紋以不對稱的方式由缺口向內部擴展時,斷口形態較為復雜。其宏觀斷口示意圖如圖8a所示,其初始階段可能是纖維狀的,第二階段則可能是放射狀的。當初始階段與第二階段相交接時,它便停止發展。圖8b所示為缺口圓柱試樣以不對稱方式擴展的宏觀斷口照片,圖中放射線及最終破斷區明顯可見。 圖8 缺口圓柱試樣拉伸裂紋不對稱擴展的斷口宏觀形貌圖 3.矩形試樣的宏觀斷口 無缺口的矩形拉伸試樣,其斷口和圓柱試樣一樣,也有三個區域。但是由于試樣的幾何形狀不同,所以斷口形態也不同。正方形試樣的裂紋源位置與試樣表面相對稱,其纖維區呈圓形。但矩形扁平試樣的中央纖維區變成橢圓形,而放射區則變為 “人字形”花樣。這是由于試樣幾何形狀的改變,使裂紋主要沿寬度方向擴展的緣故。人字形花樣的尖端指向裂紋源。最后破壞區仍為剪切唇區。這種斷口的示意圖如圖9所示。 圖9矩形拉伸試樣斷口示意圖 試樣厚度對斷口形貌有很大的影響。當試樣厚度減少時,剪切唇區所占面積增大,放射區縮小。對于相對薄的板試樣,其斷口是全剪切的,這就是平面應力條件下造成的切斷型斷口。實驗室使用的帶缺口的板試樣,其缺口有單邊切口或雙邊切口,也有開在試樣表面的中心穿透的切口或不穿透的切口。由于缺口的存在,裂紋源的位置發生了改變,一般都在缺口處產生。圖10所示為單邊缺口矩形試樣及表面中心不穿透切口試樣拉伸斷口形貌的示意圖。 圖10 單邊缺口矩形試樣及表面中心不穿透切口試樣拉伸斷口形貌的示意圖 影響平板試樣斷口三個區相對比例的因素主要是材質、板厚及溫度。材料越脆,板厚越大,溫度越低,其纖維區及剪切唇區越小,放射區越大。反之,則纖維區及剪切唇區增大,放射區減小,甚至出現全剪切斷口。實際構件的斷口,其人字紋并不完全是直線狀的,而是彎曲的,如圖11所示。它是由一系列從板的中心向外發射的撕裂棱線所組成的,人字紋的頂點是裂紋源,人字的兩撇表示裂紋擴展的方向。人字紋花樣是脆性斷裂的最主要宏觀特征。由于大多數實際構件,其斷 面多屬矩形板材,如焊接船體、儲油罐等斷口常出現人字紋,因此首先找出人字紋,然后順著人字紋方向尋找裂紋源,這是事故分析的重要方法。 圖11 矩形拉伸試樣的實際斷口形貌
定義:
斷裂類型:
微觀特征:
應用與實例:
特點:
力學機制:
測試方法:
斷口特征:
工程實例:
應力特征:
微觀機制:
類型劃分:
斷口特征:
工程實例:
定義:
應力條件:
蠕變機制(分階段):
斷口特征:
工程實例:
定義:
成因機制:
類型細分:
斷口特征:
工程實例:
一般來說,在拉伸斷口中出現的三個區域,也都在沖擊斷口中出現。首先在缺口附近形成裂紋源,然后是纖維區、放射區及剪切唇區,剪切唇區沿無切口邊的其他三側邊分布。纖維區同放射區或剪切唇區相連接的邊界常呈弧形。沖擊斷口的另一特征是,由于在擺錘的沖擊下,V形缺口側受拉應力,不開缺口的另一側受壓應力,在整個斷面上受力方向不同,所以當受張應力的放射區進入受壓區時可能消失,而重新出現在纖維區。于是出現了圖12所示的放射區兩側同時存在纖維區的斷口形貌。若材料的塑性足夠好,則放射區完全消失,整個截面上只有纖維區及剪切唇區兩個區域。 圖12 沖擊試樣斷口宏觀形貌圖 斷口上二次出現纖維區的主要原因是,當裂紋進入壓應力區時,壓縮變形對裂紋的擴展起著阻滯的作用,使擴展速度顯著降低。溫度對沖擊斷口各區所占面積的影響很大。隨著試驗溫度的降低,纖維區面積陡然下降,而放射區面積陡然上升,材料由延性迅速轉變為脆性。此種轉變溫度稱為脆性轉變溫度。工程上用不同的方法及標準來確定它,以便作為衡量零件或構件在工作條件下是否安全的一種尺度。 典型的疲勞斷口按斷裂過程分為三個區域,即疲勞源區、疲勞裂紋擴展區和瞬時破斷區。圖13所示為某直升機旋翼軸頸首扣螺紋處斷裂的全貌和疲勞斷口。圖13b中清晰地顯示了三個區域:光滑細膩的疲勞源區、顯現貝紋狀花紋的疲勞裂紋擴展區和呈纖維狀的瞬時脆性斷裂區。 圖13 某直升機旋翼軸頸首扣螺紋處斷裂的全貌和疲勞斷口 晶界的存在,本來是使金屬材料強化的重要因素之一。但在某些情況下,晶界會變成獨特的薄弱源,使裂紋沿晶界擴展,導致沿晶斷裂。沿晶斷裂總是與材料的某些力學性能明顯降低(如A,Z,K,KIc等)相聯系。沿晶斷裂的產生一般與熱處理規范、外界環境及應力狀態有關,如熱處理引起的過熱脆性斷裂和回火脆性斷裂;環境因素引起的應力腐蝕與氫脆斷裂;由于高溫及應力共同作用而產生的蠕變斷裂等,大多數情況下都屬于沿晶斷裂。 沿晶斷裂多屬脆性斷裂,斷口常呈所謂“冰糖狀”形態。圖15所示為18CrNiWA 鋼的冰糖狀斷口。 圖15 18CrNiWA鋼的冰糖狀斷口 以上主要介紹了幾種常見的典型宏觀斷口,但實際構件受力狀態復雜,斷裂原因也是多方面的,因此宏觀斷口形貌也比較復雜。譬如,在交變應力作用下會產生疲勞斷裂,宏觀斷口上常圍繞疲勞源區形成一些同心圓,稱為“貝紋線”,它是疲勞斷口的主要宏觀特征;又如,由于氫分子聚合而造成的氫脆斷裂,在宏觀斷口上出現雪片狀的“白點”。在觀察宏觀斷口時,必須首先尋找這些特征,以確定斷裂性質。 1.斷口特征的判據 分析實際構件的宏觀 斷口時,主要從以下幾方面分析其特征與性質。 (1)觀察斷口是否存在放射花樣或人字紋 (2)觀察斷口是否存在弧形線 (3)觀察斷口的粗糙程度 (4)觀察斷口的光澤與顏色 (5)觀察斷口與最大正應力方向的交角 2. 裂紋源的確定 實際構件或試樣的裂紋源,一般根據試樣幾何形狀、應力狀態、宏觀斷口特征來確定。 1)對于圓形截面零件或試樣由于過載引起的斷口,其纖維區常常是裂紋源所在的位置。而放射花樣逆指向纖維區或裂紋源具有圓環脊狀花樣的纖維區,其裂紋源總是在最內層的中心區。 2)對于矩形或板狀構件,順著人字紋頂尖所指的方向或放射花樣逆向追溯到裂紋源和纖維區。3) 對于缺口試樣,裂紋源產生于缺口根部,而且呈現多源,因此首先應在斷口的缺口徑向邊緣處尋找裂紋源。 4)對于疲勞斷口,疲勞源總是起始于缺口、溝槽、孔角等幾何形狀不連續的應力集中處,以及材料內部的夾雜、空洞等缺陷處。當零件經表面強化或其他鍍層處理后,裂紋源會出現在材料的次表面上,因此首先應在斷口上尋找上述易出現裂紋源的區域,然后根據斷口上的一些特征花樣,如放射花樣、貝紋線等來確定裂紋源的具體位置。 5)疲勞斷口表面若有貝紋線,則沿著貝紋線發展的逆向,可找到疲勞源。若斷口上還有放射區,則沿著放射花樣的逆向,可追溯到疲勞區并確定疲勞源的位置。裂紋源位置確定后,裂紋擴展的宏觀方向即可隨之確定。一般情況下,指向源區的反方向就是裂紋宏觀擴展方向。例如,放射線發散方向、與疲勞弧線相垂直的放射狀條紋的發散 方向等。從微觀上來判斷,與疲勞條帶相垂直的方向及扇形或羽毛狀花樣的發射方向即為疲勞裂紋局部擴展方向等。 疲勞裂紋擴展可分為兩個階段,其復型照片如圖16所示。第I階段:當疲勞裂紋的核心一旦在試樣表面滑移帶或缺陷處(如夾雜物、刀痕等)、 晶界上形成后,立即沿滑移帶的主滑移面向金屬內部伸展,此滑移面的取向大致與正應力約呈45°角。第I階段裂紋總是沿著最大切應力方向的滑移面擴展。第I階段:裂紋按第I階段擴展方式擴展一定距離后 (約10-1mm量級),將改變方向,沿與正應力相垂直的方向擴展。此時正應力對裂紋的擴展產生重大影響。 圖16 疲勞裂紋擴展兩階段的復型照片 1.疲勞裂紋擴展第I階段的微觀形貌特征 第I階段的疲勞裂紋擴展的宏觀形貌特征可分為兩種類型。第一類為平面狀斷口。由于該階段的裂紋嚴格地沿晶粒內某一滑移面擴展,因此斷口非常平坦光滑,而且這種平斷口往往具有很強的反光能力。第二類為平行鋸齒狀斷口。這是由于裂紋沿著兩組互不平行的【111】滑移面擴展造成的。其微觀特征隨不同的合金有所不同,以Mar-M200鎳基高溫合金為例,可能出現的微觀特征主要表現如下: 1)類似于解理斷裂的河流、臺階等花樣。對鎳基高溫合金疲勞斷口觀察發現,有類解理小刻面。圖17所示為Mar-M200鎳基高溫合金疲勞斷口上的解理刻面。其中,圖17a中的裂紋起始于臨近表面的金屬碳化物夾雜處(圖中A點處),擴展了很短一段距離后(圖中B點處),裂紋呈放射狀向四周擴展,形成扇形臺階。 2)滑移線是第I階段斷口的又一特征。斷口上可見許多細小的、平行的并與臺階呈60°交角的滑移線,裂紋自左上向右下方向擴展,如圖17b所示。 圖17 粉末高溫合金疲勞裂紋擴展第 I階段的微觀形貌特征 2.疲勞裂紋擴展第II階段的微觀形貌特征 疲勞裂紋擴展的第II階段斷口的基本微觀特征是疲勞條帶。疲勞條帶是判斷疲勞斷裂的基本依據,凡在斷口中發現疲勞條帶時,可判斷為疲勞斷裂。但反過來,如果在斷口上未發現疲勞條帶時,并不能斷定是非疲勞斷口,這是由于并不是在所有的合金和所有條件下疲勞條帶都呈現相互平行的規則形態。合金、應力水平、環境的不同,條帶的形態會有很大差別。典型的疲勞條帶形貌如圖18所示。鋁合金、碳鋼、鈦合金、耐熱 鋼的疲勞條帶有時很明顯,但超高強度鋼、鑄造耐熱合金及高應變低壽命疲勞中,疲勞條帶并不十分明顯。 圖18 典型的疲勞條帶形貌 疲勞條帶的基本特征歸納如下: 1)疲勞條帶是一系列基本上相互平行的條帶,略帶彎曲,呈波浪形。這些條帶在不同的條件下可以是凸出于斷面的埂上,也可能是凹陷于斷面內的溝槽,條帶的方向與裂紋局部 擴展方向垂直。疲勞條帶通常要在高倍顯微鏡下才能觀察到(如x1000倍)。 2)每一條疲勞條帶代表一次載荷循環,每條疲勞條帶表示該載荷循環下裂紋尖端的位置。疲勞條帶在數量上與循環次數相等。 3)疲勞條帶的間距(或寬度)是應力強度因子范圍△K的函數,隨△K的增加而增加。 4)疲勞裂紋并不是總在一個平面上擴展,而經常是在多個大小不等、方向有別、高低不一的小平面上同時擴展。每一個小平面上的疲勞條帶連續且平行,但相鄰小平面上的疲勞條帶是不連續、不平行的,當這些小平面匯合時就形成一棱邊。5)斷口兩側斷面上的疲勞條帶基本相對應。 6)疲勞條帶形成的必要條件是疲勞裂紋尖端必須處于張開型的平面應變狀態。所以只有當疲勞斷口與疲勞載荷張開應力相垂直時,才能觀察到疲勞條帶。 近門檻值擴展區的裂紋擴展速率為10-7mm/周 ,其行為受力學、材料和環境等因素的影響很敏感。圖20所示為300M鋼(美國牌號相當于40CrNi2Si2MoVA)等溫淬火狀態在不同應力比R條件下的宏觀斷口照片,在門檻區存在明顯的磨蝕氧化沉積物,而且隨應力比R的增加,氧化膜厚度減小,當R二0.7時氧化膜消失。這表明裂紋閉合效應在起作用。圖21所示為300M鋼在近門檻擴展區的一組典型的斷口微觀形貌照片。觀察表明,無論是等溫淬火狀態還是油淬狀態,在近門檻區的斷口表面光滑細膩,并顯示磨蝕和氧化物的痕跡;斷口的微觀形貌的主要特征是存在一定數量的解理小刻面,等溫淬火狀態為穿晶小平面,如圖21a所示,油淬狀態為沿晶小刻面,如圖21b所示。 圖20 300M鋼近門檻擴展區的宏觀斷口照片 圖21 300M鋼在近門檻擴展區的微觀斷口照片 腐蝕疲勞是在交變應力與腐蝕介質共同作用下的結果,所以在斷口上往往可觀察到腐蝕破壞的特征,同時也可以觀察到疲勞破壞的特征。圖23所示為2024鋁合金腐蝕疲勞小裂紋斷口的一組微觀形貌照片(3.5%NaCI水溶液)及2A01鋁合金在海洋環境中的沿晶斷裂形貌特征。一般來說,腐蝕疲勞斷口與空氣環境的疲勞斷口相比,具有以下特征: 1)斷裂的宏觀表面一般顏色灰暗,無金屬光澤;對腐蝕嚴重的材料,斷口表面呈現明顯的腐蝕坑或腐蝕氧化沉積物。 2)裂紋一般起源于表面腐蝕損傷處,如腐蝕坑、腐蝕斑,如圖23a所示。 3)疲勞源與擴展區一般有腐蝕產物沉積,如圖23b所示。 4)斷裂擴展區具有較明顯腐蝕特征,如腐蝕坑、干涸狀花樣等,如圖23c所示。 5)沿晶斷裂是腐蝕疲勞斷口的重要微觀特征,如圖23d所示。 圖23 腐蝕疲勞斷口的微觀形貌特征 金屬構件在靜載拉應力和特定腐蝕環 境共同作用下所導致的脆性斷裂為應力腐蝕斷裂,其斷口的形貌特征主要有: 1)應力腐蝕斷裂是脆性斷裂,即使是延性極好的材料,產生應力腐蝕斷裂時同樣也是脆性斷裂。其斷口平齊、與主應力垂直、沒有明顯的塑性變形,斷口形態呈顆粒狀。 2)應力腐蝕是一種局部性腐蝕,裂紋常被腐蝕產物所覆蓋,從外表很難觀察到。 3)應力腐蝕的斷口特征比較復雜。它與材料的晶體結構、合金成分、熱處理狀態、環境介質、溫度及應力狀態有關;它既可呈脆性斷口,有時也可看到延性斷口,斷裂方式既可是晶界型,也可是沿晶型。 氫脆斷口具有典型的脆性斷裂特征:斷口平齊,存在放射狀的棱線或呈顆粒狀。其微觀斷口形貌隨著氫含量、合金成分、晶粒度、應力大小和應變溫度等的不同而變化。氫脆斷口最基本的微觀形貌是沿晶斷裂(見圖27),有時也可觀察到解理斷裂及局部韌窩斷裂。 圖27 300M鋼沖氫試樣延遲斷口特征 “白點”是氫脆斷口形貌的另一重要特征,如圖27所示。白點有兩種類型。一種是在鋼件中觀察到縱向發裂,在其斷口上則呈現白點。這類白點多呈圓形或橢圓形,而且輪廓分明,表面光亮呈白色,所以又叫作“雪斑”或“發裂白點”。如圖28a所示,這種白點實際上就是一種內部微細裂紋,它是由于某種原因致使材料中含有過量的氫所造成的。另一種白點呈魚眼形,它往往是某些以材料內部的宏觀缺陷 (如氣孔、夾渣等) 為核心的銀白色斑點,其形狀多為圓形或橢圓形。圓白點的大小往往同核心的大小有關,即核心越大,白點也越大。圖28b所示為以焊接缺陷 (氣孔)為核心的魚眼形白點。 圖28 氫脆白點
免責聲明:本網站所轉載的文字、圖片與視頻資料版權歸原創作者所有,如果涉及侵權,請第一時間聯系本網刪除。
官方微信
《腐蝕與防護網電子期刊》征訂啟事
- 投稿聯系:編輯部
- 電話:010-62316606
- 郵箱:fsfhzy666@163.com
- 腐蝕與防護網官方QQ群:140808414



























