接(1)
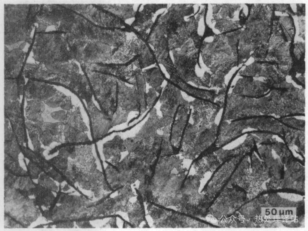
圖12 湯濂,丁寶文,劉國杰,30CrMnMoRE鋼,1000℃加熱罐中空冷。腐蝕劑:硝酸酒精溶液。下貝氏體(針狀)及少量上貝氏體(羽毛狀)。
圖13 林書湘,100Cr2Ni4A鋼,1180℃保溫3min,水淬,再700℃保溫3min,水淬。4%硝酸酒精溶液腐蝕,提高回火溫度,殘余奧氏體的催化作用更加充分。二次淬火后,不但在一次馬氏體相界面,而且在其它區域都發生新的馬氏體轉變。
圖14 北京航空學院金相實驗室,38CrMoAlA,560℃氮化20h,4%硝酸酒精溶液腐蝕,由于預備熱處理時脫碳而具有不正常組織。最外層為ε+γ',中間層為含氮鐵素體,有γ'析出,最里層為γ'+氮化索氏體。
圖15 吳可秋,W18Cr4V高速鋼(鑄態),重鉻酸鉀飽和溶液加硫酸,室 溫擦蝕1h。 試劑將鋼的基體溶去,在斜射照明下,魚骨狀萊氏體共晶中碳化物骨架更富有立體感。
圖16 高淑琴,喬瑞潔,20MnVBRE鋼,未腐蝕。氧化鋁(深灰顆粒)+氮化鈦(淺色方塊)+稀土復合氧化物(中灰)。
圖17 韓懷月,姜治中,沈棣華,胡銳,不銹鋼焊縫。手工氬弧焊,10%鉻酸電解腐蝕。左端黑色部分為焊縫表面,右上方白色部分為母材(00Cr25Ni20Nb)。X型坡口焊縫裂紋始于根部熔合線,并向焊縫發展。
圖18 北京航空學院金相實驗室,灰鑄鐵,采用自制ZP-1型拋光機拋光,4%硝酸酒精溶液腐蝕。片狀石墨,珠光體及鐵素體基體。
圖19 嚴雪琴,Cr17Mn14Mo2N鋼,1200℃×1h,水淬,用鐵磁膠液顯示δ鐵素體的磁疇結構。奧氏體+δ鐵素體。
圖20 上海交通大學金相實驗室,18CrNiW鋼,960℃滲碳24h,水淬,-70℃冰冷處理,4%硝酸酒精溶液腐蝕。(a)明場,淬火時先形成的粗大馬氏體及冰冷處理時新形成的馬氏體(白色)。(b)相襯照明,與a同一視場,奧氏體基體上新形成的白色馬氏體清晰可辨。
圖21 李依依,李坤,許義奎,21-6-9低溫鋼。1200℃×20h水淬,-190℃拉伸形變13.6%。電解拋光,奧氏體+形變孿晶+滑移帶+少量α'馬氏體,在Md以下拉伸,明顯區分出形變孿晶及滑移帶,并形成少量形變誘導馬氏體。
圖22 林治明,22Mn2MoCuBRE鋼,鑄造后調質處理,沖擊斷口,透射電鏡(復型)照片。長條狀氮化鋁沿柱狀晶晶界析出,在沖擊載荷下造成沿晶斷裂。
免責聲明:本網站所轉載的文字、圖片與視頻資料版權歸原創作者所有,如果涉及侵權,請第一時間聯系本網刪除。
官方微信
《腐蝕與防護網電子期刊》征訂啟事
- 投稿聯系:編輯部
- 電話:010-62316606
- 郵箱:fsfhzy666@163.com
- 腐蝕與防護網官方QQ群:140808414














